Seilwinden GM Serie
Seilwinden GM-Serie – Zuverlässige Leistung für raue Einsätze
In maritimen Anwendungen oder beim Bohren unter extremen Bedingungen stoßen viele Winden an ihre Grenzen: Korrosion, Ausfälle nach Standzeiten oder komplizierte Wartung sind häufige Herausforderungen. Genau hier setzt die GM-Serie an.
Mit einer Zugkraft von bis zu 5.443 kg bietet die GM12A zuverlässige Performance – auch unter härtesten Einsatzbedingungen. Die Seilwinde wurde speziell für den Einsatz auf Fischerei- und Bohrplattformen sowie beim Baggern entwickelt. Hochwertige Materialien, durchdachtes Design und eine robuste Bauweise sorgen für eine lange Lebensdauer, einfache Wartung und maximale Kontrolle.
Vorteile für Ihre Anwendung:
- Reibungsarme Sintermetall-Bremsscheiben für gleichmäßiges Arbeiten und optimale Wärmeabfuhr
- Geräuscharmer Lauf dank profilierter Planetenräder
- Korrosionsgeschützte Dichtflächen aus Edelstahl – ideal für Salzwasserumgebungen
- Klare Sicht auf den Ölstand durch integriertes Schauglas
- 360°-Montagemöglichkeit dank drehbarer Entlüftung
- Schnelle Wartung durch einfache Zugänglichkeit
- Montage mit Standardbohrbild möglich
Typische Einsatzbereiche:
Fischerei, Offshore-Bohrungen, Baggerarbeiten, Schiffsdeckwinden, Hebeanlagen
Die GM-Serie verbindet jahrzehntelange Gearmatic-Erfahrung mit moderner Technik – für höchste Anforderungen und minimale Stillstandzeiten.
|
GM |
TECHNISCH DATEN |
|---|---|
|
Übersetzungsverhältnis |
41:1 |
|
Gewicht der Seilwinde |
238kg bis 247kg |
|
Motor |
051 (5,1 CID) |
|
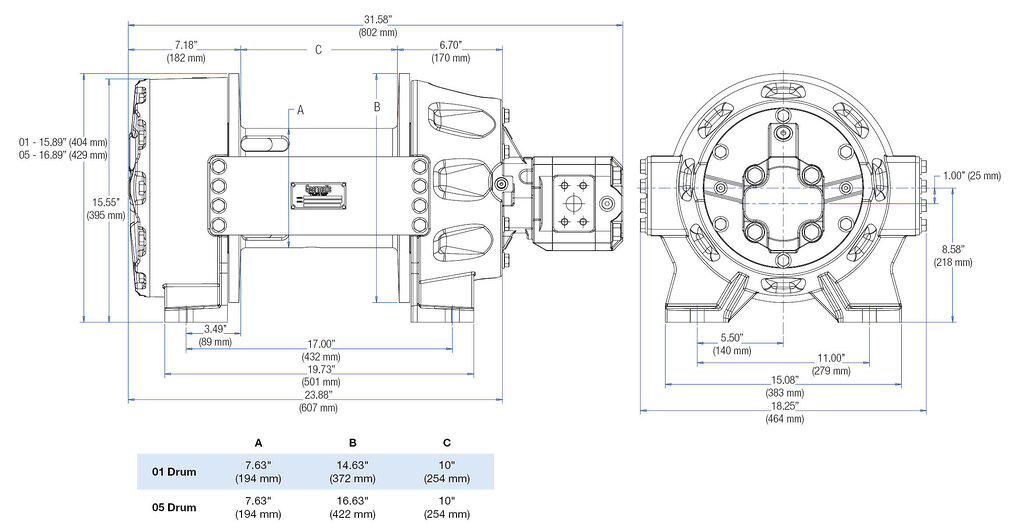
Trommelgröße |
01 — 194 mm Trommel x 372 mm Flansch x 254 mm Flanschabstand |
|
Seildurchmesser |
⌀ 10mm, ⌀ 11mm, ⌀ 13mm, ⌀ 14mm, ⌀ 16mm |
|
Seilkapazität |
01 — Seil ⌀16mm x L=68,6m (225 ft) 05 — Seil ⌀16mm x L=107,3m (352 ft) |
Wir beraten Sie gerne!
VF-nC3 Serie
VF-S15 Serie
VF-AS3 Serie
GD28 Serie
GD350A Serie IP20
GD350 Serie IP55
GD20-EU Serie
EDS3 Serie IP20
EDS3 Serie IP66
AuCom EMX4i Serie
AuCom CSXi Serie



Pumpenverteilergetriebe
Hydrostatische Getriebe
Planetengetriebe
Lastschaltgetriebe
Parallelhybridgetriebe
Achsen